GL28-APS– Application Software for PC –
Application Software for PC “GL28-APS”
Application Software for PC “GL28-APS”
The application software connects GL series to PC. It performs setting, recording, and managing the recorded data.
It can connect and control up to 10 units of GL series or 1000ch.
GL860 / GL260 / GL840 / GL240
Various Measurement Screens
3 types of measurement screens: Y-T view, digital view, and statistics and history display.
Direct Excel Function enables users to send data directly to Excel at the start of measurement.
◆ Y-T View

◆ Digital View

◆ Statistics and History Display

◆ Direct Excel Function

.

Connected Device Search Function
Devices can be automatically detected without requiring detailed connection settings.

Offline Scaling of Measurement Data
Scaling settings can be modified offline for recorded GBD data files.
During GBD data playback, scaling settings can be adjusted via “Menu” > “Scaling Settings.”
After changing the scaling settings, the updated values will be saved by selecting “Convert then Save.”
Scaling settings can also be applied to multiple files using the “CSV File Batch Conversion” feature.
Settings are applied to the first selected file in the list, and scaling is applied to subsequent files only if they share the same conditions as the first file.
The conditions are as follows:
- The number of channels, inputs, and ranges of the analog channels (including GS sensors) are identical
- The number of channels, and inputs of the pulse channels (including GS sensors) are identical
- The existing scaling settings are identical

Scheduling Function
Measurement start / stop can be scheduled in advance, allowing automatic start and stop without manual operation.


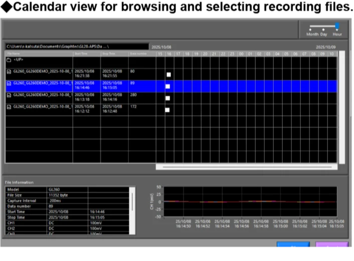
List Display of Search Results
By setting search conditions, results are displayed in a list and can be exported as a CSV file.

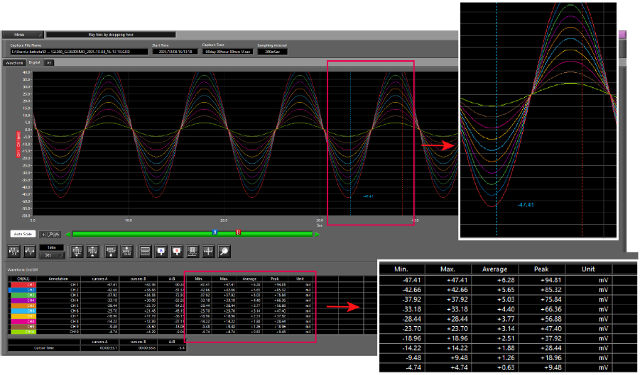
Custom Range Statistics Display
Displays statistical calculation results—maximum, minimum, average, and peak-to-peak—for any selected range.

Save and Convert Playback Data
Playback data can be saved either as “All Data” or “Between Cursors”.
The saved data can also be converted and saved in CSV format.

Synchronized Recording Across Multiple Devices and Automatic File Merging
Up to 4 recording groups can be created, with synchronized start and stop operations available for each group.
When recording groups are set to the same group, measurement results can be saved not only as individual files but also as a single combined file.

Export to Direct Excel File
During recording, data is transferred to Excel in real time, enabling the creation of daily and monthly reports using statistical values or instantaneous data.

Useful Features
- Report Settings (Daily / Monthly)
- Save and Load Settings
- Screen Printing / Image Saving
- Alarm Email Notification
- Statistics and Alarm History Display
- Data Overwrite and Merge
Features Available Only When GL240 or GL840 Is Connected
*Same functions as GL100/240/840-APS
- Accumulated Graph Display
- Power Charge Settings / Display
- Saturation CH Display
- Accumulated Temperature Units Change
Specifications
| Item | Description | ||||
|---|---|---|---|---|---|
| Supported OS | Windows 11 / 10 | ||||
| Supported device | GL860 / GL260 / GL840 / GL240 | ||||
| Number of groups | Maximum 4 groups | ||||
| Number of CHs per 1 group | Depends on connected modules | ||||
| Maximum number of connectable devices | 10 units( Maximum number of channels:1000ch) | ||||
